您好,欢迎来到   搜了服务
行业市场
您现在的位置:凯发平台-凯发公司 >产品展厅 >日本进口hakko白光153电阻切割成形机154

日本进口hakko白光153电阻切割成形机154

价格5,320.00
起订量1件起批
货源所属商家已经过真实性核验
产品型号154
数量
留言询价 查看电话 微信在线 收藏商品
联系人信息
姓名 邱经理 手机号码 13420992545 固定电话 0755-25841877
公司全称 深圳市安川测量仪器有限公司
让卖家联系我
*联系信息:
咨询问题:
*图形验证:
发送询价单
询价产品: 日本进口hakko白光153电阻切割成形机154
*联系信息:
产品信息
品牌

白光

型号

154

电源类型

充电式-锂电技术

功率

10w

锯片直径

1mm

最大锯切深度

3mm

适用范围

1

重量

2kg

规格

1

加工定制

切割能力

1

空载转速

2rpm

额定功率

3w

额定转速

1rpm

空载冲数

2spm

产地

日本

厂家

白光

  内置密封球轴承,工作寿命长,效率高。

  独特的元件移除板能够防止元件引线互相触碰而造成损坏。

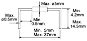
  成形距离可达37mm。

  高质精钢切刀,可使切口整齐平滑。

hakko 153

日本进口hakko白光153电阻切割成形机154

  切割与成形

日本进口hakko白光153电阻切割成形机154

  成形

日本进口hakko白光153电阻切割成形机154

  切割

hakko 154

日本进口hakko白光153电阻切割成形机154

  切割与成形

日本进口hakko白光153电阻切割成形机154

  成形

日本进口hakko白光153电阻切割成形机154

  切割

  规格

型号 153 154
成形距离 (*少) 5.6mm 5mm
处理元件脚直径 () φ 0.8mm φ 0.5mm
尺寸 125(阔) x 130(高) x 110(深)mm
重量 约 2kg (包括手柄及螺丝夹)
纸带外阔度 85mm
纸孔距离 5mm

  注意 : 153 / 154 只适用于处理软铜元件, 元件脚必须为圆柱形状。

凯发公司的联系方式

广东深圳市宝安区沙井街道大王山社区沙井路4-4号五层

期待你的来电

搜了网提醒您:
1、本信息由搜了网用户发布,搜了网不介入任何交易过程,请自行甄别其真实性及合法性;
2、跟进信息之前,请仔细核验对方资质,所有预付定金或付款至个人账户的行为,均存在诈骗风险,请提高警惕!

产品系列

在线给我留言

资讯推荐

网站地图